Helping Lift Weight With Ease Since 1973!

D Shackles

Mangla Hoists offers stainless steel D shackles, manufactured by Ferreterro, a trusted name in this field. These are durable and corrosion-resistant.

Our D Shackles are an ideal choice for outdoor applications, especially in marine or other harsh environments. Chain shackles, commonly known as “D shackles,” are oval in shape, similar to a chain-link. We offer a wide selection of D shackles available to meet your industrial needs.

Product Description of D Shackles

Many different types of D Shackles are available from suppliers and manufacturers in the market, but the ones offered and supplied by Mangla Hoists and manufactured by Ferreterro are made up of the highest quality.

These D Shackles are in great demand as they are:

  • Manufactured under strict quality control.
  • Ideally suited for low to medium weight lifting.
  • Guaranteed coat against rust prevention.
  • Thorough testing for 100% safety.
  • Available with numerous specifications.
Ferreterro D Shackles / D Shackles

Product Features:

  • Types- Nut Bolt, Screw Pin, Shackles
  • Material- Stainless Steel, Carbon Steel, Alloy
  • Grade- Grade 80, Carbon Steel Hardened 41
  • Loading Capacity- 1 Ton to 55 Tons
  • Minimum Order- 10 Pieces

Technical specifications and Usage

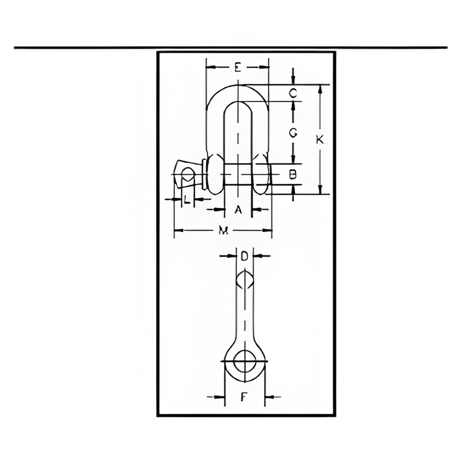
D Shackle Capacity Chart

D Shackle capacity chart
Nominal S Nominal Limit (t) Weight Each (kg) Dimensions (mm) Tolerance (+/-)
A B D F G K M P R G A
1/41/20.611.97.856.3515.519.140.424.639.66.351.501.50
5/163/41013.59.657.8519.125.448.529.546.27.851.501.50
3/811516.811.29.6523.131.058.535.855.09.653.301.50
7/161-1/22219.112.711.226.936.167.541.163.511.23.301.50
1/223422.416.012.730.241.477.046.071.012.73.301.50
5/83-1/46726.919.116.038.151.095.558.589.516.06.351.50
3/44-3/41.1431.822.419.146.060.511570.010320.66.351.50
7/8171.436.625.422.453.071.513581.012024.66.351.50
16-1/22.5242.928.725.460.581.015193.513525.46.351.50
1-1/89-1/23.4546.031.828.768.591.017210315031.86.351.50
1-1/4124.9051.535.131.876.010019111516535.16.351.50
1-3/813-1/26.2457.038.135.184.011121012718338.16.353.30
1-1/2178.3960.541.438.192.012223013719641.16.353.30
1-3/42514.273.050.044.510514227916224054.06.353.30
23524.887.057.051.012217231218426467.06.353.30
2-1/25538.610570.066.514520337723834466.56.356.35
3855612782.576.016521642927941989.06.356.35

Are you curious or confused? Feel free to ask anything!

Frequently Asked Questions

  • What is Shackle?
    • Shackle, which was known as gyves during older times, is most commonly used for lifting, securing or rigging heavy loads, objects and equipment.

      Lifting shackles work as the final link in a connection chain or sling setup, and their primary task is to make a secure physical connection between a load-lifting device (a hoist hook or a sling) and the freight or load that needs to be either supported or moved.

  • What is a D Shackle?
    • There are many types of Shackles available in the market that caters to different needs of the lifting industry: Anchor shackle, D shackle, Snap shackle, Twist shackle, etc.

      Of all the shackles, the most commonly used is D type shackle, also called Chain shackle. It has been named so because of its shape, which resembles ‘D’ and is narrower than an Anchor shackle.

      Like all other shackles, a D shackle also consists of two main parts: the body and the bolt or the pin. Its principal function is to provide a secure connection between two points, and also provide the convenience to be opened and closed as required, allowing or preventing disconnection.

  • What are D shackles used for?
    • The primary use of a D shackle is that it works as a connecting link in rigging systems and also in most common everyday scenarios where lifting is required. The biggest benefit it draws is that it can be easily connected and disconnected.

  • What is the basic difference between D shackle and Bow shackle?
    • There is a slight difference in the two shackles as the D shackle is narrower than a Bow shackle and in addition it also has a pin close or a threaded pin.

  • How do we calculate the SWL of a D shackle?
    • To calculate SWL of a D shackle in tons this formula is applied: SWL= 3 x D².

Industries

Mangla Hoists has been able to remain market leaders for more than four decades and created a niche for ourselves in lifting equipment and material handling tools. Ferreterro is a multi-unit and multi-organization which manufactures many high-quality products used in lifting equipment and material handling tools.

D Shackles marketed by us are commonly used as a lifting accessory in a wide range of industries like:

  • Marine Industry
  • Construction Industry
  • Equipment Manufacturers
  • Cargo Industry
  • Automobile Industry
  • Engineering Industry
  • Electrical Companies

By purchasing D Shackles from us you gain double benefit: guarantee of Ferreterro quality as well as experiencing the exemplary services of Mangla Hoists.

Mangla Hoist’s Outstanding Products

Contact icon
WhatsApp